Собираем УСИЛИТЕЛЬ на плате LM 4702
Актуален ТОЛЬКО для Варианта 1
- 1 действие:
Преджде всего Вам необходимо купить плату LM 4702 как готовое изделие. Например, на сайте - https://ru.aliexpress.com
- 2 действие:
Покупаем аккустическую систему. Замечу - пассивную аккустическую систему.
- 3 действие:
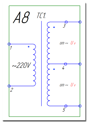
Собираем Блок Питания для УСИЛИТЕЛЯ
В связи с тем, что от выбранной Вами нагрузки зависит мощность Блока Питания Вам необходимо выбрать параметр Uт в соответствии с приведенной ниже таблицой.
| Выходная мощность усилителя, Вт |
Нагрузка,
Ом |
Напряжение Uт,
В |
| 200 |
4 |
2 - 28 |
| 100 |
8 |
2 - 28 |
- 4 действие:
Покупаем Трансформатор для Блока Питания УСИЛИТЕЛЯ.
На нашем сайте Вы можете ЗАКАЗАТЬ:
- Спецификацию (номиналы) для принципиальной схемы Блока Питания.
- Печатную Плату для принципиальной схемы Блока Питания.
- Конструктор новичка:
......Конструктор предназначен для людей, которые НИКОГДА не собирали УСИЛИТЕЛЬ самостоятельно!
......В состав конструктора входят:
............- плата LM 4702,
............- трансформатор ТС1,
............- печатная плата блока питания усилителя,
............- полный перечень элементов схемы блока питания усилителя,
............- корпус усилителя.
Звоните : 8 - 988 - 46 - 18 - 311
|