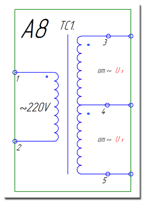
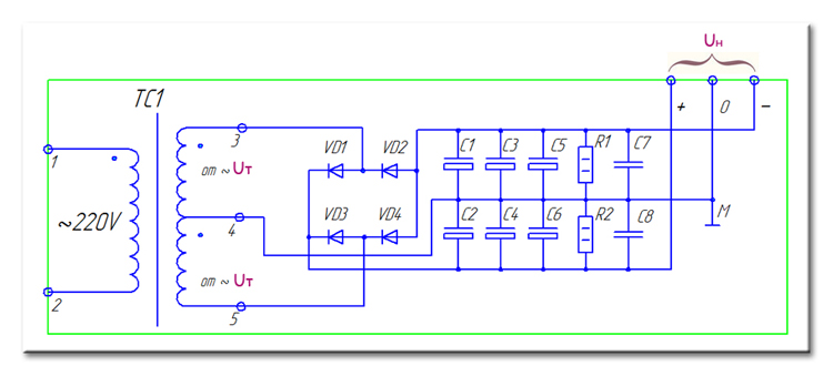
В качестве блока А8 могут быть использованы следующие модули:

- TDA7294 типовое включение
img_1
- TDA7294 мостовое включение
img_2
- IRAUDAMP7S
img_3
- STK 4048 (4050)
img_4
- LM 4702
img_5
- LM 3886
img_6
- QUAD 405
img_7
В связи с тем, что от выбранной Вами нагрузки зависит мощность Блока Питания Вам необходимо выбрать параметры и в соответствии с приведенной ниже таблицой.

Выходная мощность усилителя, Вт Пиковая мощность усилителя,
Вт
Нагрузка,
Ом
Напряжение ,
В
Напряжение ,
В
30 50 4 +/- 15 2 - 11
30 50 6 +/- 19 2 - 14
30 50 8 +/- 23 2 - 17
45 - 50 60 4 +/- 20 2 - 14
45 - 50 60 6 +/- 24 2 - 17
45 - 50 60 8 +/- 28 2 - 20
60 100 4 +/- 25 2 - 17
60 100 6 +/- 29 2 - 21
60 100 8 +/- 31 2 - 22
70 100 4 +/- 27 2 - 19
70 100 6 +/- 31 2 - 22
70 100 8 +/- 35 2 - 25
80 100 4 +/- 35 2 - 25
80 100 6 +/- 39 2 - 28
80 100 8 +/- 41 2 - 29
100 120 4 +/- 40 2 - 29
100 120 6 +/- 41 2 - 29
100 120 8 +/- 44 2 - 31
В связи с тем, что от выбранной Вами нагрузки зависит мощность Блока Питания Вам необходимо выбрать параметры и в соответствии с приведенной ниже таблицой.

Количество плат Выходная мощность усилителя, Вт Нагрузка,
Ом
Напряжение ,
В
Напряжение ,
В
1 85 8 +/- 20 2 - 18
1 125 8 +/- 26 2 - 20
1 150 8 +/- 29 2 - 22
1 180 8 +/- 33 2 - 25
1 120 4 +/- 20 2 - 18
2* 175 4 +/- 26 2 - 20
2* 210 4 +/- 29 2 - 22
3* 250 4 +/- 33 2 - 25
3* 300 4 +/- 40 2 - 30
*Количество мостовых плат TDA7294 соединенных параллельно (разработка автора)
В связи с тем, что от выбранной Вами нагрузки зависит мощность Блока Питания Вам необходимо выбрать параметры и в соответствии с приведенной ниже таблицой.

Выходная мощность усилителя, Вт Нагрузка,
Ом
Напряжение ,
В
Напряжение ,
В
150 8 +/- 60 2 - 43
300 4 +/- 60 2 - 43
В связи с тем, что от выбранной Вами нагрузки зависит мощность Блока Питания Вам необходимо выбрать параметры и в соответствии с приведенной ниже таблицой.

Выходная мощность усилителя, Вт Нагрузка,
Ом
Напряжение ,
В
Напряжение ,
В
150 4 +/- 55 2 - 39
150 8 +/- 65 2 - 46
В связи с тем, что от выбранной Вами нагрузки зависит мощность Блока Питания Вам необходимо выбрать параметр в соответствии с приведенной ниже таблицой.

Выходная мощность усилителя, Вт Нагрузка,
Ом
Напряжение ,
В
200 4 2 - 28
100 8 2 - 28
В связи с тем, что от выбранной Вами нагрузки зависит мощность Блока Питания Вам необходимо выбрать параметры и в соответствии с приведенной ниже таблицой.

Выходная мощность усилителя, Вт Нагрузка,
Ом
Напряжение ,
В
Напряжение ,
В
60 8 +/- 40 2 - 28
68 4 +/- 28 2 - 20
В связи с тем, что от выбранной Вами нагрузки зависит мощность Блока Питания Вам необходимо выбрать параметры и в соответствии с приведенной ниже таблицой.

Выходная мощность усилителя, Вт Нагрузка,
Ом
Напряжение ,
В
Напряжение ,
В
100 8 +/- 50 2 - 36
200 4 +/- 50 2 - 36