В качестве блока А1 могут быть использованы следующие модули:

- Модуль 1
img_1
- Модуль 2
img_2
- Модуль 3
img_3
- Модуль 4
img_4
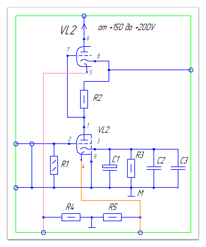
CРПП
          Другие названия: m - повторитель (или мю-повторитель), каскад с динамической нагрузкой.
      Преимущества:
          - низкое выходное сопротивление (оценочное значение для однотипных ламп 0,25 Ri ;
          - низкий уровень нелинейных искажений;
          - малая чувствительность к пульсациям напряжения питания;
          - коэффициент усиления ближе к m (мю) лампы, чем у каскада с нагрузкой в аноде;
          - возможности улучшения ряда параметров с помощью незначительных схемотехнических изменений.
      Недостаки:
          - отдельные варианты каскада довольно сложны;
          - высокое напряжение между катодом и подогревателем;
          - некоторые специалисты считают звучание каскада "транзисторным, сухим, плоским".
          При уменьшении сопротивлении R3 или исключении его из схемы, добиваемся увеличения тока покоя, коэффициент усиления уменьшится и будет равен 1. Данный эффект может быть достигнут в том случае если сопротивление R4 не блокируется электролитическим конденсатором большой емкости

Спецификация

- Бюджет
sp_1
- Классика
sp_2
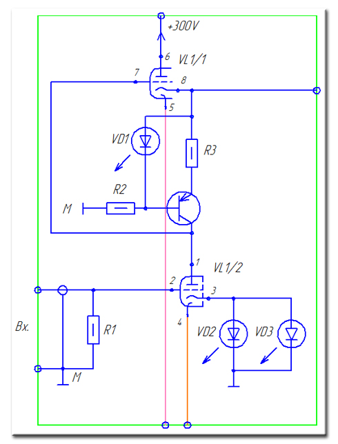
CРПП
          Другие названия: m - повторитель (или мю-повторитель), каскад с динамической нагрузкой.
      Преимущества:
          - низкое выходное сопротивление (оценочное значение для однотипных ламп 0,25 Ri ;
          - низкий уровень нелинейных искажений;
          - малая чувствительность к пульсациям напряжения питания;
          - коэффициент усиления ближе к m (мю) лампы, чем у каскада с нагрузкой в аноде;
          - возможности улучшения ряда параметров с помощью незначительных схемотехнических изменений.
      Недостаки:
          - отдельные варианты каскада довольно сложны;
          - высокое напряжение между катодом и подогревателем;
          - некоторые специалисты считают звучание каскада "транзисторным, сухим, плоским".
          При уменьшении сопротивлении R3 или исключении его из схемы, добиваемся увеличения тока покоя, коэффициент усиления уменьшится и будет равен 1. Данный эффект может быть достигнут в том случае если сопротивление R4 не блокируется электролитическим конденсатором большой емкости

Спецификация
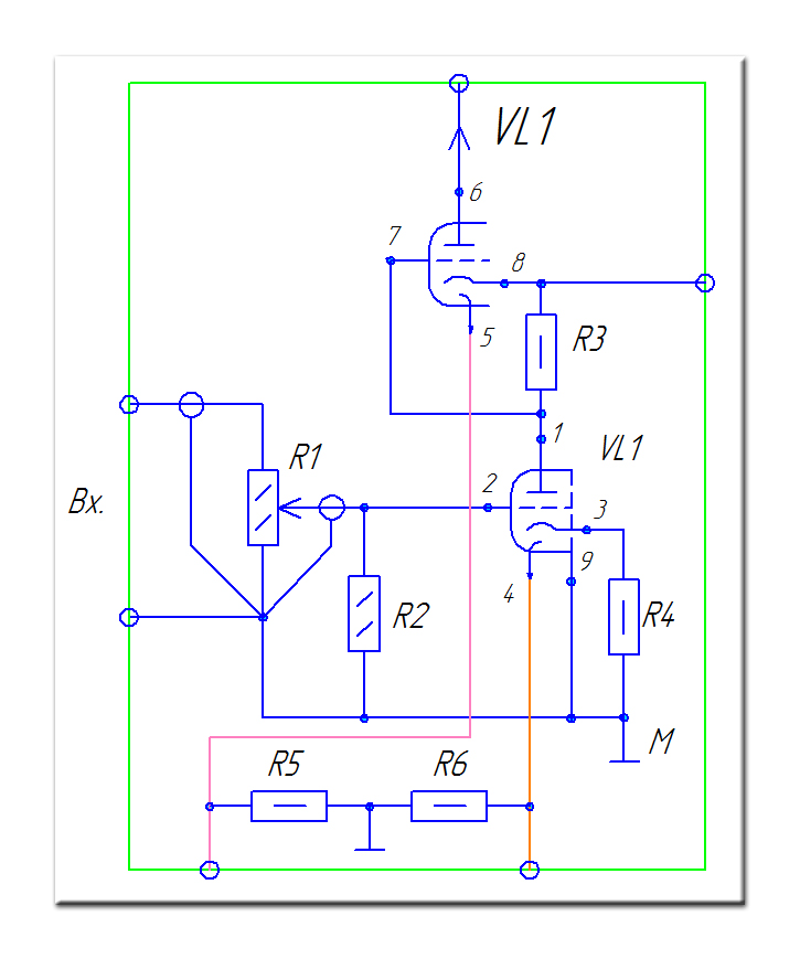
CРПП
          Другие названия: m - повторитель (или мю-повторитель), каскад с динамической нагрузкой.
      Преимущества:
          - низкое выходное сопротивление (оценочное значение для однотипных ламп 0,25 Ri ;
          - низкий уровень нелинейных искажений;
          - малая чувствительность к пульсациям напряжения питания;
          - коэффициент усиления ближе к m (мю) лампы, чем у каскада с нагрузкой в аноде;
          - возможности улучшения ряда параметров с помощью незначительных схемотехнических изменений.
      Недостаки:
          - отдельные варианты каскада довольно сложны;
          - высокое напряжение между катодом и подогревателем;
          - некоторые специалисты считают звучание каскада "транзисторным, сухим, плоским".
          Каскад СРПП в данном исполнении намного линейнее, чем каскады приведенный в модуле 1, модуле 2, модуле 3 из-за того что в спектре напряжения его выхода четные гармоники отсутствуют.
          При уменьшении сопротивлении R3 или исключении его из схемы, добиваемся увеличения тока покоя, коэффициент усиления уменьшится и будет равен 1. Данный эффект может быть достигнут в том случае если сопротивление R4 не блокируется электролитическим конденсатором большой емкости

Спецификация
CРПП
          Другие названия: m - повторитель (или мю-повторитель), каскад с динамической нагрузкой.
      Преимущества:
          - низкое выходное сопротивление (оценочное значение для однотипных ламп 0,25 Ri ;
          - низкий уровень нелинейных искажений;
          - малая чувствительность к пульсациям напряжения питания;
          - коэффициент усиления ближе к m (мю) лампы, чем у каскада с нагрузкой в аноде;
          - возможности улучшения ряда параметров с помощью незначительных схемотехнических изменений.
      Недостаки:
          - отдельные варианты каскада довольно сложны;
          - высокое напряжение между катодом и подогревателем;
          - некоторые специалисты считают звучание каскада "транзисторным, сухим, плоским".
          В катодной цепи для обеспечения автоматического смещения работы лапового каскада устанавливаются два красных светодиода повышенной яркости (колба диаметром 5 мм).
          При незначительном изменении каскада СРПП представленного в модуле 3 путем добавления в схему ГСТ (генератор стабильного тока) получим каскад СРПП с более улучшенными линейными характеристиками выходного сигнала.
          Замечу, что динамическое (дифференциальное) сопротивление двух красных светодиодов достаточно мало, что позволяет отказаться от электролитических конденсаторов для исключения местной ООС (отрицательная обратная связь).