В качестве блока А1-A3 могут быть использованы следующие модули:

- Модуль 1
img_1
- Модуль 2
img_2
- Модуль 3
img_3
- Модуль 4
img_4
- Модуль 5
img_5
- Модуль 6
img_6
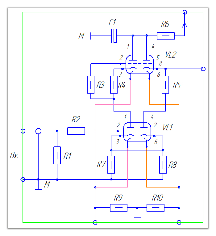
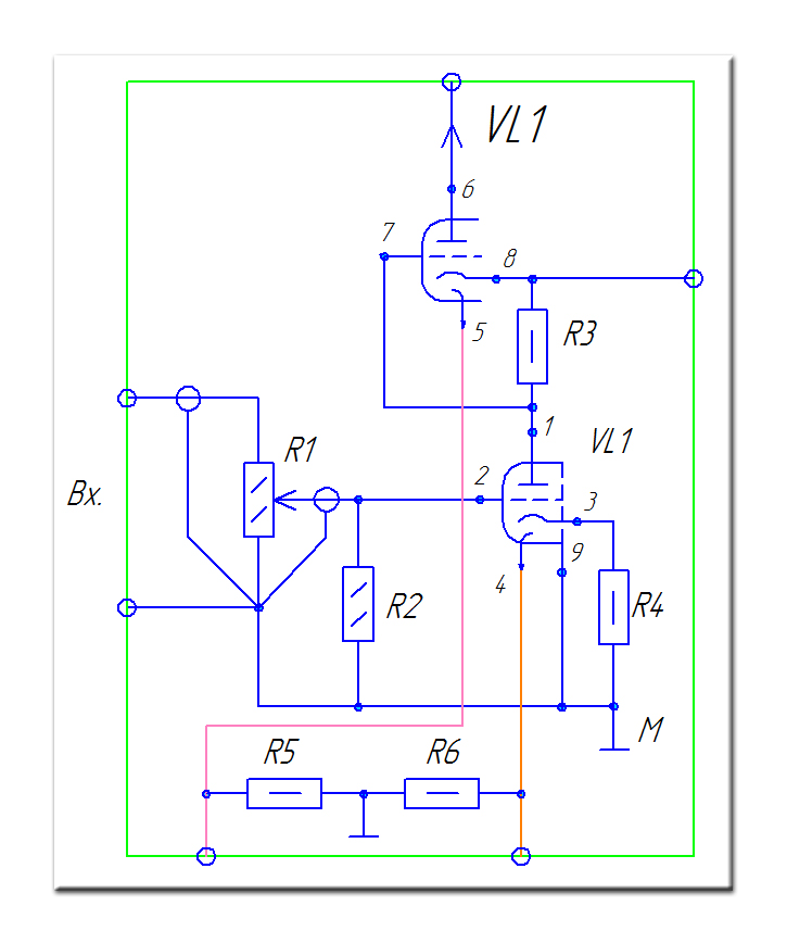
CРПП
          Другие названия: m - повторитель (или мю-повторитель), каскад с динамической нагрузкой.
      Преимущества:
          - низкое выходное сопротивление (оценочное значение для однотипных ламп 0,25 Ri ;
          - низкий уровень нелинейных искажений;
          - малая чувствительность к пульсациям напряжения питания;
          - коэффициент усиления ближе к m (мю) лампы, чем у каскада с нагрузкой в аноде;
          - возможности улучшения ряда параметров с помощью незначительных схемотехнических изменений.
      Недостаки:
          - отдельные варианты каскада довольно сложны;
          - высокое напряжение между катодом и подогревателем;
          - некоторые специалисты считают звучание каскада "транзисторным, сухим, плоским".
          При уменьшении сопротивлении R3 или исключении его из схемы, добиваемся увеличения тока покоя, коэффициент усиления уменьшится и будет равен 1. Данный эффект может быть достигнут в том случае если сопротивление R4 не блокируется электролитическим конденсатором большой емкости

Спецификация

- Бюджет
sp_1
- Классика
sp_2
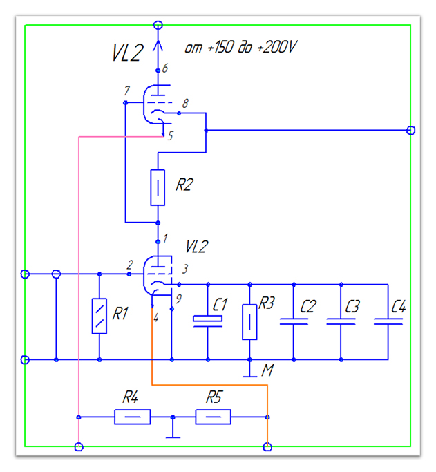
CРПП
          Другие названия: m - повторитель (или мю-повторитель), каскад с динамической нагрузкой.
      Преимущества:
          - низкое выходное сопротивление (оценочное значение для однотипных ламп 0,25 Ri ;
          - низкий уровень нелинейных искажений;
          - малая чувствительность к пульсациям напряжения питания;
          - коэффициент усиления ближе к m (мю) лампы, чем у каскада с нагрузкой в аноде;
          - возможности улучшения ряда параметров с помощью незначительных схемотехнических изменений.
      Недостаки:
          - отдельные варианты каскада довольно сложны;
          - высокое напряжение между катодом и подогревателем;
          - некоторые специалисты считают звучание каскада "транзисторным, сухим, плоским".
          При уменьшении сопротивлении R3 или исключении его из схемы, добиваемся увеличения тока покоя, коэффициент усиления уменьшится и будет равен 1. Данный эффект может быть достигнут в том случае если сопротивление R4 не блокируется электролитическим конденсатором большой емкости

Спецификация
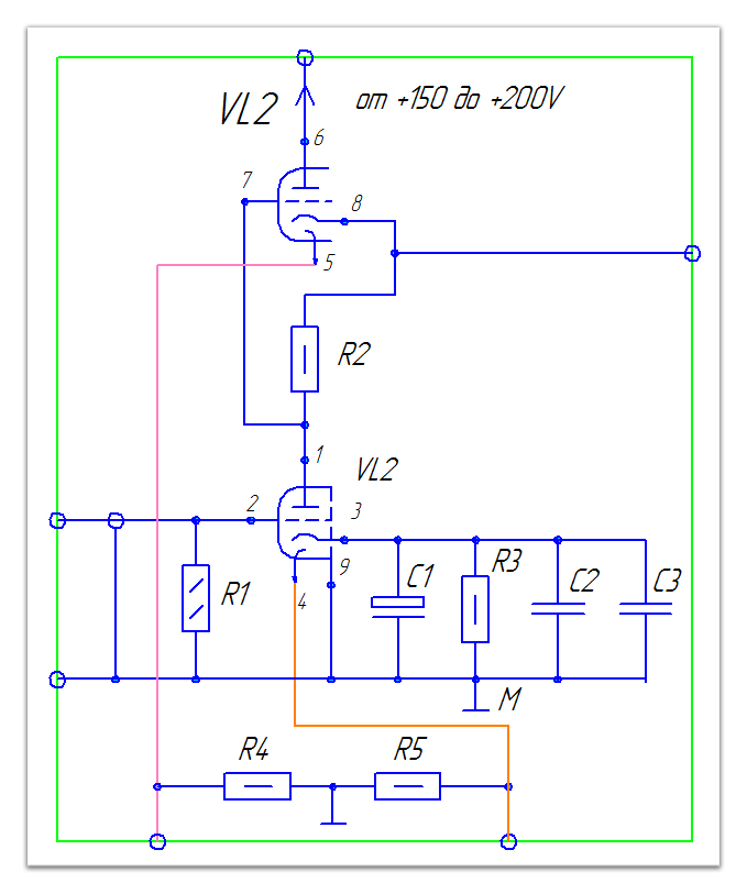
CРПП
          Другие названия: m - повторитель (или мю-повторитель), каскад с динамической нагрузкой.
      Преимущества:
          - низкое выходное сопротивление (оценочное значение для однотипных ламп 0,25 Ri ;
          - низкий уровень нелинейных искажений;
          - малая чувствительность к пульсациям напряжения питания;
          - коэффициент усиления ближе к m (мю) лампы, чем у каскада с нагрузкой в аноде;
          - возможности улучшения ряда параметров с помощью незначительных схемотехнических изменений.
      Недостаки:
          - отдельные варианты каскада довольно сложны;
          - высокое напряжение между катодом и подогревателем;
          - некоторые специалисты считают звучание каскада "транзисторным, сухим, плоским".
          Каскад СРПП в данном исполнении намного линейнее, чем каскады приведенный в модуле 1, модуле 2, модуле 3 из-за того что в спектре напряжения его выхода четные гармоники отсутствуют.
          При уменьшении сопротивлении R3 или исключении его из схемы, добиваемся увеличения тока покоя, коэффициент усиления уменьшится и будет равен 1. Данный эффект может быть достигнут в том случае если сопротивление R4 не блокируется электролитическим конденсатором большой емкости

Спецификация
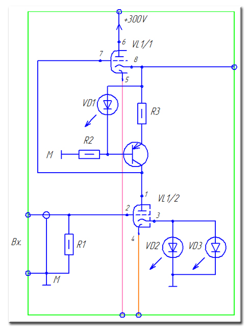
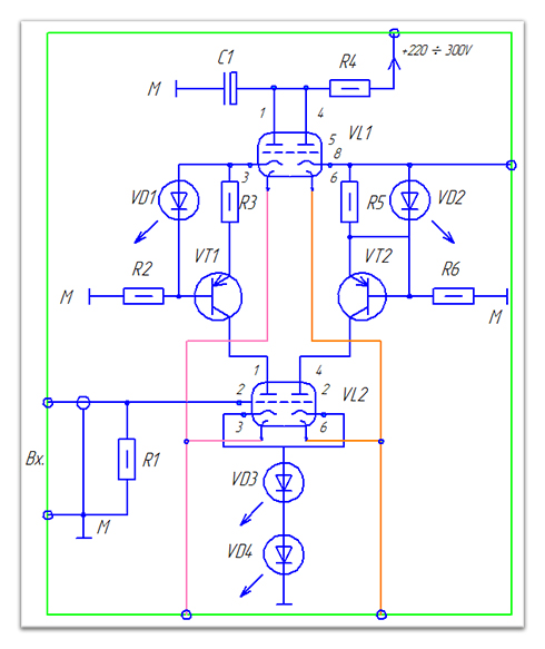
Супер CРПП
Супер CРПП
          В катодной цепи для обеспечения автоматического смещения работы лапового каскада устанавливаются два красных светодиода повышенной яркости (колба диаметром 5 мм).
          При незначительном изменении каскада супер СРПП представленного в модуле 4 путем добавления в схему ГСТ (генератор стабильного тока) получим каскад супер СРПП с более улучшенными линейными характеристиками выходного сигнала.
          Замечу, что динамическое (дифференциальное) сопротивление двух красных светодиодов достаточно мало, что позволяет отказаться от электролитических конденсаторов для исключения местной ООС (отрицательная обратная связь).
CРПП
          Другие названия: m - повторитель (или мю-повторитель), каскад с динамической нагрузкой.
      Преимущества:
          - низкое выходное сопротивление (оценочное значение для однотипных ламп 0,25 Ri ;
          - низкий уровень нелинейных искажений;
          - малая чувствительность к пульсациям напряжения питания;
          - коэффициент усиления ближе к m (мю) лампы, чем у каскада с нагрузкой в аноде;
          - возможности улучшения ряда параметров с помощью незначительных схемотехнических изменений.
      Недостаки:
          - отдельные варианты каскада довольно сложны;
          - высокое напряжение между катодом и подогревателем;
          - некоторые специалисты считают звучание каскада "транзисторным, сухим, плоским".
          В катодной цепи для обеспечения автоматического смещения работы лапового каскада устанавливаются два красных светодиода повышенной яркости (колба диаметром 5 мм).
          При незначительном изменении каскада СРПП представленного в модуле 3 путем добавления в схему ГСТ (генератор стабильного тока) получим каскад СРПП с более улучшенными линейными характеристиками выходного сигнала.
          Замечу, что динамическое (дифференциальное) сопротивление двух красных светодиодов достаточно мало, что позволяет отказаться от электролитических конденсаторов для исключения местной ООС (отрицательная обратная связь).